EV用充電器とは?
EV用充電器とは、電気自動車(EV)やプラグインハイブリッド車(PHEV)のバッテリーに電力を供給するための装置です。簡単に言うと、ガソリン車の「給油機」に相当するものがEV用充電器です。
EV用普通充電器と急速充電器の違い
電気自動車(EV)を利用するためには、EVに搭載されているバッテリーを充電しなければならないため、充電器が必要不可欠になります。EV用充電器の中にはスマートフォン同様に普通充電器と急速充電器があり、2つの充電器の主な違いは電気の出力kW数になります。普通充電器では出力が約0.6~1.2kWに対して、急速充電器は50kW以上になります。そのため、2つの充電器を比較すると急速充電器が圧倒的な速さで充電が完了します。例えば、約160kmの充電を行う場合、普通充電では約12~14時間に対して急速充電器は約30分で完了します。
| 普通充電器 | 急速充電器 | |
| 出力 | 0.6~1.2kW | 50kW以上 |
| 充電時間(航続距離160Km) | 約12~14時間 | 約30分 |
| 冷却方法 | 空冷 | 液冷 |
EV急速充電器の課題
上記の表でもわかるように急速充電器により充電時間は大幅に短縮が可能になり、とても便利な装置です。特に欧州や中国では長距離を走る車が多く、短時間で多くの航続距離を充電できる急速充電器の開発と採用が日本より進められております。しかし、まだガソリン車の給油時間と匹敵する充電速度ができいない事が現状であり、実現にはより多くの電力を必要とします。最近では航続距離400kmを5分で充電できるという急速充電器を開発されている企業もあり、出力が50kWを大きく上回る1360kWになります。しかし、大きな課題として、出力が大きくなればなるほど電気抵抗によって電源回路基板や充電ケーブルの発熱が大きくなることがあげられます。そのため、空冷より冷却効率が高い液冷を採用されています。液冷ではその名の通り、熱源部分の周りに冷たい液を循環させて冷却を行います。その場合、液漏れを避けるため、液を循環させれるポンプはシールレスである必要あります。
課題のポイント
-
- 急速充電器の開発・導入は進んでいるが、ガソリン車並みの充電速度にはまだ達していない。
-
- 急速充電器は充電時間を大幅に短縮し、利便性が高い。
-
- 高出力化によって発熱が大きくなり、冷却が重要な課題となっている。
-
- 効率的な冷却のため液冷方式が採用されており、液漏れ防止のためシールレスポンプが必須です。
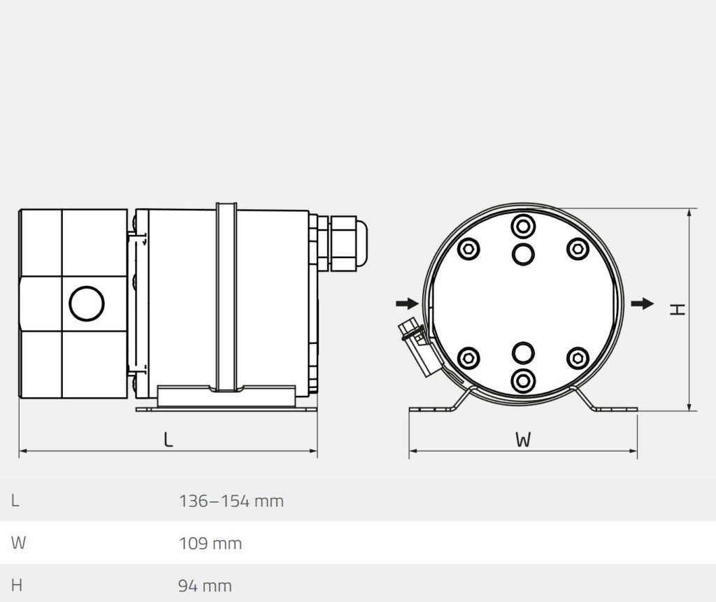
EV急速充電器向けポンプ
- シールレス設計
- キャンド型モーターの採用により液漏れの心配がない
- 低流量・高圧・脈動が少ない
- 低脈動容積式ギヤポンプでありながら、流量Max. 10l/min、圧力14bar(140m)の高圧力までも発揮
- 稼働点が自由自在
- 回転数制御が内蔵されたBLDCモーターの搭載により性能曲線範囲のどの点も達成可能
- コンパクトな設計
- EV用急速充電器の限られたスペースでも搭載可能なコンパクト設計



ZY-13…MMシリーズ
ZY-13…-MMシリーズ イメージ写真

まとめ
EV急速充電器まとめ
-
- 急速充電器の開発・導入は進んでいるが、ガソリン車並みの充電速度にはまだ達していない。
-
- 急速充電器は充電時間を大幅に短縮し、利便性が高い。
-
- 高出力化によって発熱が大きくなり、冷却が重要な課題となっている。
-
- 効率的な冷却のため液冷方式が採用されており、液漏れ防止のためシールレスポンプが必須です。

